Cancer i ureter

    ()

    sporsmal_grey_rgb
    Artikkel

    På 1950-tallet ble det registrert et tilfelle i året av kreft i urinleder. I 2001 fikk Kreftregisteret innrapportert 38 slike tilfeller, fordelt på 16 menn og 22 kvinner. I Tidsskriftet nr. 18/1955 (s. 641 – 2) beskrives historien til en 61 år gammel kvinne som fikk denne diagnosen.

    Pasienten er en 61 år gammel kvinne som i 1946 fikk fjernet høyre nyre på grunn av hydronefrose. Hun ble innlagt på Sandessjøen sykehus første gang i 1949, og hadde da puss og stavbakterier i urinen. Urografi viste normale forhold ved den gjenværende venstre nyre og ureter, og cystoskopien viste et rundt, litt hyperemisk venstre ureterositum, og ureterkateteret gikk lett opp. Urinen kom i vanlige repriser. Urinen fra venstre ureter viste polynukleære leukocytter og rikelig stavbakterier. TB-.

    Hun ble innlagt på nytt 2/3 1954 for pyuri, som hun stadig hadde vært plaget av. I tillegg hadde hun nå fått hematuri og feber opp i 39,5º.

    Hun var en noe mager, forholdsvis friskt utseende kvinne med et blodtrykk på 130/95, der var spor av ankelødem.

    Urin: sp.v. 1012, protein+, Esbach 0,2 , Guajak-. Mikroskopi: Tallrike leukocytter, staver og kokker i korte kjeder og diploform. TB-. Rest-N 50 mg/100 ml. Urografi: Høyre nyreskygge mangler. Venstre nyreskygge noe stor. Noe forsinket utskillelse idet det 7 minutter etter injeksjon av 20 ml Nycotrast bare er antydning til kontrast i enkelte calyces, etter 30 minutter god fylling. Nyrebekkenet noe utvidet med plumpe calyces. Ureter dilatert, ca. 1 cm bred helt ned til blæren, men området foran sacrum kommer ikke fram på grunn av svak kontrastskygge. Dårlig fylling av blæren etter 1/2 time. R: «Manglende høyre nyre. Hydronephrosis sin. Nedsatt nyrefunksjon» (B. Medby) (fig. 1). Cystoskopi viste et rundt og litt trangt venstre ureterositum, ved kromoskopi kom svak blåfarge i repriser etter 35 minutter. Ureterkateteret gikk 11cm opp, selv det tynneste kateter lot seg ikke føre lenger opp.

    Ved retrograd ureterografi lot det seg ikke gjøre å presse kontrast lenger opp enn nedre kant av venstre iliosakralledd. R: «Hindret passasje i venstre ureter» (fig. 2).

    Rest-N var stigende, 70mg/100ml 6/4. Pasienten var kvalm og brekket seg og viste nå tydelige tegn på uremi.

    Da vi ikke nærmere kunne bestemme hva hindringen besto i, ble pasienten 9/4 1954 operert. Ureter var lillefingertykk, og ved spissen av et innlagt ureterkateter fant vi en snautt spansknøttstor, temmelig fast tumor i ureter. Nedenfor var ureter av normal tykkelse. Ureter ble åpnet ovenfor tumor hvor urin under sterkt trykk sprutet ut. Tumor og 2,5cm av ureter ble fjernet. End-to-end anastomose.

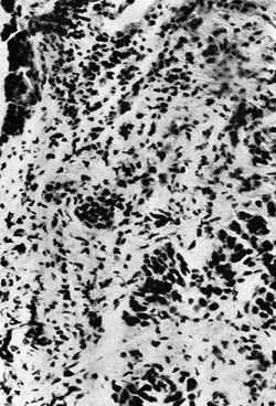
    Preparatet viste et hasselnøttstort vevstykke med et hvitt sentrum og en brunfarget bord. Tumor omsluttet hele ureter så det bare var en trådtynn passasje. Det mikroskopiske bildet viser et udiffrensiert carcinom utgått fra overgangsepitel, med infiltrerende vekst og atskillig kjernevariasjon (fig 3, mikrofoto: Det Norske Radiumhospital, Laboratorium for patologi).

    På grunn av manglende urinpassasje til blæren måtte pasienten reopereres 30/4.

    Omkring det tidligere reseksjonssted var det et fast infiltrat og ureter ble frigjort og implantert i øvre del av colon sigmoideum (Coffeys operasjon). Etter 3 dager begynte det å komme rikelig væske fra rectum, og rest-N, som hadde vært oppe i 200 mg / 100 ml, gikk nå raskt nedover. Pasienten hadde de siste 3 ukene av sykehusoppholdet uttømming fra rectum 8 – 10 ganger pr. døgn, og rest-N svingte mellom 65 og 75 mg/100 ml. Urin fra rectum inneholdt 1/2 protein. Hun følte seg kjekk, var oppegående fra 24/5 og ble utskrevet 8/6 1954 i velbefinnende. Ved kontroll medio november 1954 hadde pasienten Rest-N 30 mg / 100 ml, følte seg kjekk og så bra ut.

    Inntil for 20 år siden var cancer i ureter regnet som en sjelden sykdom, men senere er diagnosen stilt atskillig hyppigere. Inntil 1951 er der beskrevet 216 tilfelle i litteraturen (2, 8, 14, 15), hvorav 2 fra Norge (10, 4).

    Til sammenligning kan anføres at inntil 1952 er beskrevet 42 tilfelle av carcinom-metastaser til ureter (9, 12).

    Kreftregisteret i Norge (11) opplyser at siden dette startet 1. januar 1952, er det foruten vår pasient meldt ett tilfelle av cancer ureteris, så Kreftregisteret regner med at det erkjennes ca. 1 tilfelle her i landet årlig. For å sette tallene i relieff kan nevnes at i samme tidsrom er meldt 330 tilfelle av nyrecarcinomer og ca. 400 tilfelle av blæretumores.

    Primært uretercarcinom angis å finnes i 1 % av tumores i øvre urinveier, og 75 % sitter i nedre tredjedel av ureter. Hyppigste alder er 50 – 70 år.

    Patologi

    Patologi

    Historisk skjelnes mellom papillomatøse og solide tumores, og svulstene har en tendens til å opptre multipelt i ureters slimhinne. Dette antas ikke å være på grunn av utsæd eller spredning gjennom lymfebaner, men fordi epitelet i ureter har samme carcinogene eiendommelighet som epitelet i urinveiene for øvrig (14).

    Hyppigst er de papillomatøse former (nesten 50 %), dernest plateepitel-carcinomer (6).

    Svulstene metastaserer tidligere og mer intenst enn blærecarcinom. Metastaser skjer oftest til regionale lymfeknuter, dernest lever, lunger, vertebrae.

    Symptomatologi

    Symptomatologi

    De tre hovedsymptomer er hematuri (ca. 75 %), smerter og palpabel nyretumor. Smertene kan være en ubestemt trykkfølelse i nyreregionen, eller kolikksmerter som følge av blødning og koageldannelse.

    Palpabel nyretumor er en følge av hydronefrose som dannes ved obstruksjon av ureter. Dessuten kommer almensymptomer.

    Diagnosen blir som regel en sannsynlighetsdiagnose. De viktigste undersøkelser blir cystoskopi med ureterkatetrisering, urografi og retrograd pyelografi. Undersøkelse på tumorceller kan brukes i tvilsomme tilfelle (10).

    Behandlingen ved ensidige tilfelle er nefroureterektomi med reseksjon av ureterostiet. Ved dobbeltsidige tilfelle og hvor der er dårlig funksjon av den andre nyre, anbefales å legge ureter fram til huden (2, 5), eller uretersigmoidostomi kan brukes.

    Mortaliteten angis noe forskjellig, 20 – 25 %, men en må ha for øye at de fleste tilfelle ligger i aldersgruppen er 50 – 70 år.

    Prognosen er dårlig. Det er i litteraturen bare beskrevet vel 20 pasienter som har levd mer enn 2 år etter operasjon, og det er beskrevet 1 pasient som levde 25 år etter nefroureterektomi (3).

    Kommentarer  ( 0 )

    Anbefalte artikler